用户登录

|
电力设备智能巡检机器人

本发明提供电力设备智能巡检机器人,包括轨道总成、轨道机器人和上位机控制系统,所述轨道机器人滑动设置在所述轨道总成上,所述上位机控制系统包括本地控制单元、通信单元和人机交互单元,所述本地控制单元用于向所述轨道机器人下达各项操作指令,所述通信单元用于实现所述本地控制单元和所述人机交互单元之间的数据互通,所述人机交互单元用于实现所述轨道机器人的远端控制。本发明能够能够实现轨道机器人状态、装置信号等运行状况信息的实时采集与智能分析,还能监测温度、湿度等环境质量因素,满足电力设备的巡检作业。

多端口微网能量路由器

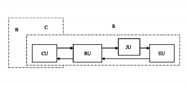
本发明提供多端口微网能量路由器,包括高压网侧变流器端口、低压交流负载端口、低压直流负载端口和交流配电网,低压交流负载端口和低压直流负载端口通过高压网侧变流器端口连接至直流母线,经由直流母线通过高压网侧变流器端口与交流配电网相连,高压网侧变流器用于实现直流母线电压的稳定控制,且当直流母线电压超过设定范围时切除整个路由器,以保护能量路由器和低压侧电气设备的安全,直流母线用于分布式电源及储能设备的接入,且通过直流母线电压的变化情况反映系统的功率流动和实时能置平衡。本发明能够实现不同交直流制式、不同电压等级间的互联和双向能量传递,为电气设备提供标准化接口,实现电能在系统内的双向传输。

一种智能交直流一体化电源系统

本发明提供了一种智能交直流一体化电源系统,包括双电源自动切换装置、交流屏、逆变电源屏、直流充电电源屏、通信电源屏和电池模块;所述双电源自动切换装置与交流屏连接,所述双电源自动切换装置用于两路输入的交流电源的自动切换,所述交流屏用于交流电力分配;所述交流屏分别与电池模块、逆变电源屏、直流充电电源屏、通信电源屏连接;所述逆变电源屏为交流站用设备供电,所述直流充电电源屏为直流站用设备供电,所述通信电源屏为通信设备供电;所述电池模块包括蓄电池组及双向逆变器,所述双向逆变器分别与交流屏、蓄电池组连接。实现直流操作电源系统、通信电源系统、交流操作电源系统一体化,节约设备资源。

一种节能式智能核对全在线直流充放电系统

本发明提供一种节能式智能核对全在线直流充放电系统,包括上位机终端、网关、综合监视器、充电设备一、充电设备二、充电设备三、子监视器、数据采集器、逆变电源一、逆变电源二以及逆变电源三,上位机终端通过网关与综合监视器相连接,综合监视器通过总线分别与充电设备一、充电设备二以及充电设备三相连接,子监视器通过RS485总线分别与数据采集器、逆变电源一、逆变电源二以及逆变电源三相连接,数据采集器、逆变电源一、逆变电源二以及逆变电源三进行并联,充电设备一、充电设备二、充电设备三以及子监视器进行并联,本发明使用方便,降低人力的投入,实现了节能环保,具备电压自动均衡能力,安全性高。

一种具备内部检测的智能无线传输电池巡检系统

本发明提供一种具备内部检测的智能无线传输电池巡检系统,包括信号发生器、蓄电池组、交流放大器、锁相放大器、低通滤波器、A/D转换器、CPU、无线通信器以及上位机终端,信号发生器通过连接电线分别与蓄电池组相连接,蓄电池组通过连接电线与交流放大器相连接,交流放大器与锁相放大器通过连接电线相连接,锁相放大器与低通滤波器通过连接电线相连接,低通滤波器通过连接电线与A/D转换器相连接,A/D转换器与CPU通过连接电线相连接,CPU通过连接电线分别与无线通信器和信号发生器相连接,无线通信器通过无线网与上位机终端相连接,本发明使用方便,提高检测速度,加大检测精度,提高检测准确度,提高了检测的实时性,降低安装成本。

智能无线传输微型开口自校零漂微机绝缘综合检测系统

本发明提供智能无线传输微型开口自校零漂微机绝缘综合检测系统,包括传感器一、子机一、显示器、主机、上位机、子机三、传感器三、子机二以及传感器二,传感器一通过连接电线与子机一相连接,传感器二与子机二通过连接电线相连接,传感器三通过连接电线与子机三相连接,子机一、子机二以及子机三进行并联连接,主机通过连接电线分别与子机一、子机二以及子机三相连接,主机通过无线网分别与显示器和上位机相连接,子机一和子机二进行级联,子机二以及子机三进行级联,本发明使用方便,便于操作,实现环网检测功能,降低通讯成本,便于维护和检修,稳定性好,可靠性高。

带二级分凝分离回热式混合工质节流制冷的冷冻贮存箱

中科赛凌(北京)科技有限公司研发的一种带二级分凝分离回热式混合工质节流制冷的冷冻贮存箱由制冷系统、控制系统和箱体组成,以带二级分凝分离回热式混合工质节流制冷系统提供所需冷量;制冷系统的压缩机模块高压出口连接回热换热器模块高压入口;回热换热器模块高压出口连接节流模块高压入口,节流模块低压出口连接蒸发换热模块入口,蒸发换热模块出口连接回热换热器模块低压入口,回热换热器模块低压出口连接制冷压缩机模玦低压入口;制冷系统的回热换热器模块包含二个分凝分离子模块;通过蒸发换热模块为带绝热层的箱体内部提供所需制冷量;控制系统以箱体内部温度为目标值结合制冷系统运行参数和工况通过对压缩机模块及节流模块的操作实施对低温冷冻贮存箱的运行控制。

基于VR-Forces仿真平台的多无人机协同任务规划仿真系统

本发明公开了一种基于VR-Forces仿真平台的多无人机协同任务规划仿真系统,其特征是:多无人机协同任务规划仿真系统由n个无人机仿真子系统、一个地面控制中心仿真子系统和一个任务规划仿真场景管理子系统组成。